CorComp TripleTech



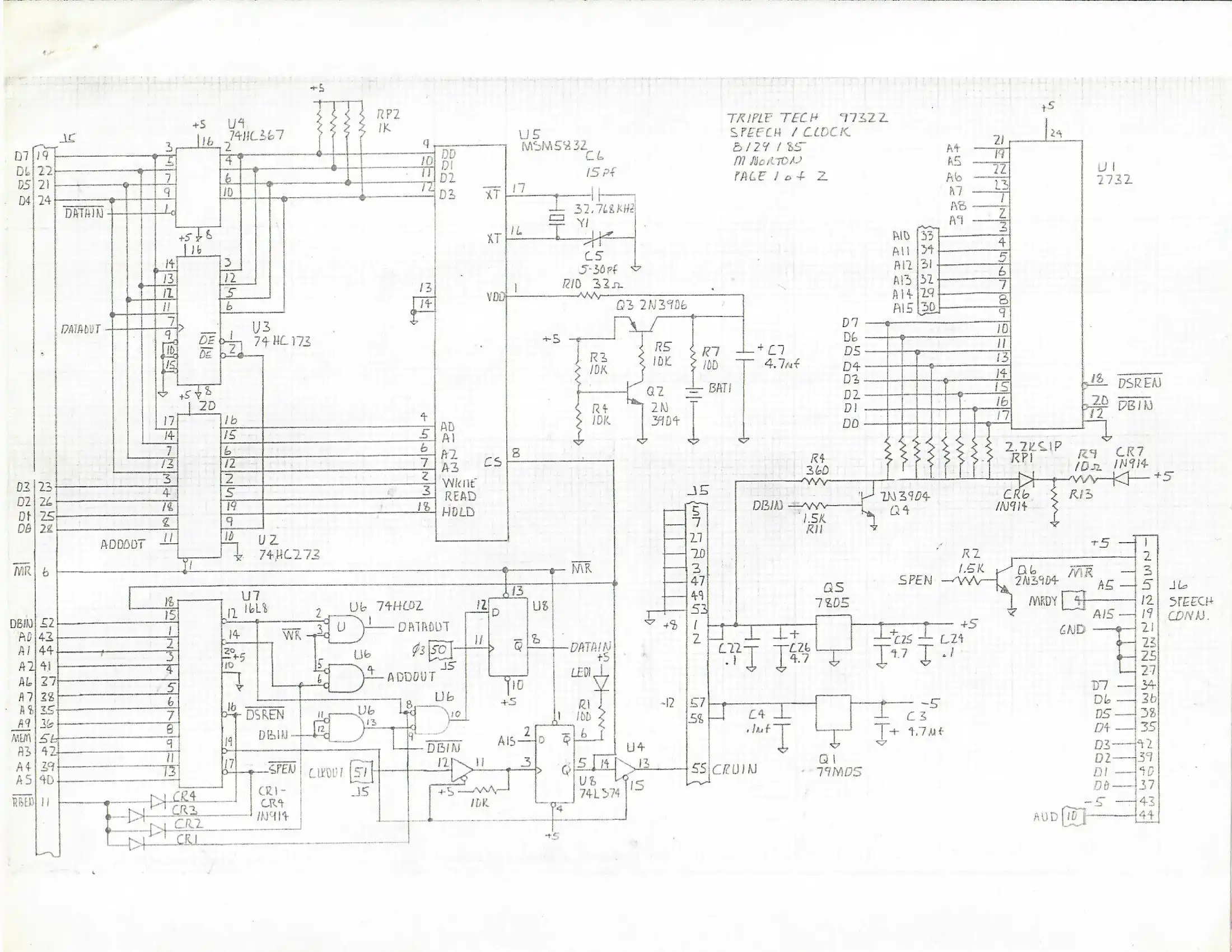
The CorComp TripleTech combines a printer buffer/spooler based on a Z80 with its own 64KB DRAM, a battery backed clock and a connector for the TI Speech-Synthesizer - all on one PEB board. It is tied to CRU address >1D00 and shows the current date and time (or, what the DSR considers to be the actual date and time...), but it shows it exactly in the same spot where the floppy disk controller places its "Ready" information... Additionally it is lacking an activity indicator (the cute yellow LED) and a shielding.
So there are 3 mishaps to solve (plus an additional one):
  • The wrong location for time and date
  • The wrong date
  • The missing LED (thanks to E.A.Hallett of Southwest Ninety-Niners A.D. 1987)
  • ... and: why is there a 2716 EPROM (should be a 2732 according to the schematics), and why is the PGM pin soldered to Vcc?

Where should date and time be shown?

In any case: somewhere else!
I'd prefer the charactor row below the colour bar - left hand side the date, right hand side the time - each of them aligned with its outer screen boundary. Lets see... but the presumptuous "Personal Computer System" - we don't honestly need this, don't we - although at TI in those times, they often used it themselves.

Whatdoyoumean "Wrong date"?

After I checked the general functionality of the card (would have definitely been a silly endeavour to work on a dead board...), I adjusted date and time to the current day in September 2025 - and guess what? Sure - wrong day of week! Since the clock chip only handles a two-digit year, there must be some kind of dividing line to add 20 or 19 as a prefix - really? A possible solution should be to set this line to 1980... well, it would eventually not go into this direction! Lets move the position of the displayed data first, leave out the day of week - and keep the rest - for later...
And for sure, everything went different then... In reality, the clock simply is a heap of counters, that can handle (conditional) modulo divisions - day of week and such nice details are not relevant. So - how you call your day of the week is simply a matter of definition, and the "deviation" simply resulted from the (wrong!) assumption of monday to be the first day of the week, and a 0 (zero) delivered from the clock depicts monday - but that's not the case!
After fixing the DOW to Sunday being the first (and thus resulting from a 0), the SET CLOCK Utility and TripleTech aligned their opinion - Bingo!
The problem with the 21st century I simply bypassed by always deducting being in this very century - the special leap year in 2100 I confidentially leave to my successors...
For more, read about the new DSR below.

The "Now I'm Here" problem

Every PEB card has to light up when accessed - basta!
This one feels too elite for doing this - fun fact is, that the reason is similar to the LED issue with the TIPI-PEB - a PCB layout bug, no one felt responsible to solve! Enough room on the PCB to carry LED and resistor is there - more you can read here. In the pictures to the right you can see my implementation.
Addendum: The LED is not to extend over the edge of the board towards the front - I had to bent it back a bit after taking the photo.

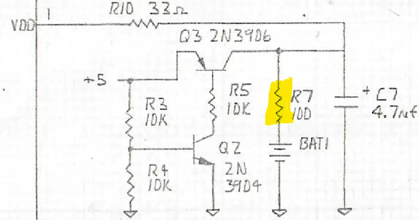
The (C)R7 Problem

Early hardware versions of the board allow backdriving the lithium battery via R7 when the PEB was switched on - see the PCB and schematics excerpts left and middle. Notably an inexcusable flaw, indicating missing reviews before SOP. Although there are no reports about "exploding tripletechs in TI-99 PEBs", this may simply be due to the small amount of those cards circulating around the world... At some time after initial release, someone probably noticed the issue, and during a board revision R7 was replaced with a diode, the layout and the silkprint were re-worked, and the spot for R7 was - consequently? - renamed to CR7 - not recognizing that there was already a CR7 on the board, so now we have two CR7's... I'm out of words (image to the right).
If you own such an old one with R7, you may safely replace it with a 1N4148 or the like, but observe the direction!

A wrong EPROM!?

2716's are hard to obtain nowadays, compared to 2732's, and anyway - there must be a 2732 4K model (even if the software doesn't require this space). The pinout explains the wire... but HALT! It is not THAT simple!
As already pointed out, there has to be a 2732, and this has the MSb of the address lines at pin 21, which is also connected in the schematics...
After reading it as a 2716 (wire cut), where it either delivered >00 or >FF, I read it as a 2732, and - Bingo - the DSR was in the upper 2K! It's a 2732 labelled as 2716, and the wire "hides" the DSR in the upper area! No idea about the reason for this weirdness, but wait: there's more!

Heureka - a "snug-TripleTech"!

When reading the EPROM I found the signature shown on the side - so I had a triple tech in my PEB (temporary memory outage...), that received a new DSR by Harald with german DOW abbreviations! I should do some research before accusing the wrong people for the MANY flaws in the DSR of this card... 😉

Spoiler: The most terrifying observation was the absolutely weird VDP addressing during power up - someone always did set the VDP Read Address (missing the flag at >4000), but started WRITING to the VDP RAM directly after! Did CorComp give this to the intern/student?
In case someone asks: the effect of this "method" is, that your data is written one byte AFTER the address you specified - and I was checking my calculations for the screen positions over and over again and could not figure out the cause...

The new DSR

After 3 days, 8 times "burning and erasing" of my new 2732 EPROMs - plus a decent learning curve - the result was as planned.
The breaking of the IC socket for the DSR came expectedly, but after nearly 40 years - who can complain?
Besides tidying up the screen, I added some goodies for Basic, fixed a bunch of errors and added more error checking. Additionally the whole PAD addressing was ported to the usual, recommended R9-relative addressing to become independent from the actual GPLWS alignment. Furthermore, to harmonize the power up screen, german texts were removed, and the date format was changed to the international one with increased significance of the digits (no - ISO was no option since it's not looking nice). The time now has seconds also (although they do not update)... This new DSR can be downloaded here in a ZIP file, and may be used freely. The ZIP also contains a programmable binary file, as well as the complete source code (englisch comments) plus 2 PDFs with the CorComp user manual, and the clock's datasheet.

BUT WAIT - there's more!

Attentive viewers of this website may admit: there is already a TripleTech project on the software pages! "Ttha si crreoct" (Python said...)! - the 4K must be filled somehow.
So - stay tuned (in the software corner).

Contact:
{anyname}@{use_the_url}.net
All pictures on this whole website were made by myself.
Should you find them elsewhere, they're stolen from here!
Last updated:
2025-09-23 CW